9급 국가직 공무원 토목설계 (2023년04월08일 기출문제)
1과목 : 과목 구분 없음
1번
콘크리트를 만들 때 사용하는 혼화재료(admixture)에 대한 설명으로 옳지 않은 것은?
2번
복철근 직사각형보에서 압축철근을 배근하는 경우에 해당하는 것만을 모두 고르면?

3번
한계상태설계법을 적용한 교량설계의 한계상태에 대한 설명으로 옳지 않은 것은? (단, KDS 24 10 11 : 2021을 따른다)
4번
받침부 내면과 위험단면 사이에 집중하중이 작용하지 않을 경우, 철근콘크리트 부재의 전단설계를 수행할 때, 받침부의 최대 계수전단력을 산정하는 위치는? (단, d=단면의 유효깊이이고, KDS 14 20 22 : 2022를 따른다)
5번
1방향 철근콘크리트 슬래브의 단면적은 500,000mm2, 사용한 이형 철근의 설계기준항복강도가 500MPa일 때, 수축 및 온도 철근량[mm2]은? (단, KDS 14 20 50 : 2022를 따른다)
6번
그림과 같이 휨모멘트를 받는 직사각형 단면의 철근콘크리트 보에서 콘크리트 압축연단이 극한변형률에 도달할 때, 인장철근의 변형률은? (단, 응력-변형률 관계를 등가직사각형 블록으로 구하며, 콘크리트의 설계기준압축강도 fck=20MPa, 철근의 설계기준항복강도 fy=300MPa, 철근의 단면적 As=1,700mm2이고, KDS 14 20 20 : 2022를 따른다)

7번
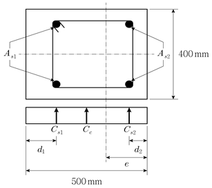
그림과 같이 순수 축하중을 받아 균등한 극한변형률이 발생한 콘크리트 기둥 단면에서 소성중심까지의 거리 e[mm]는? (단, 철근면적 As1에서의 압축력 Cs1=500kN, 철근면적 As2에서의 압축력 Cs2=500kN, 콘크리트의 압축력 Cc=4,000kN, d1=150mm, d2=50mm, 철근으로 인한 콘크리트의 단면 손실은 무시한다)

8번
직접설계법을 사용하여 2방향 이상으로 휨 보강되는 슬래브 시스템을 설계하기 위한 규정으로 옳지 않은 것은? (단, KDS 14 20 70 : 2021을 따른다)
9번
옹벽 구조물의 안정조건에 대한 설명으로 옳지 않은 것은? (단, KDS 14 20 74 : 2021을 따른다)
10번
직사각형 단철근 콘크리트 보에 정(+) 모멘트가 작용하고 전 단면이 탄성범위에 있을 때, 철근을 포함한 비균열 환산단면의 압축연단에서 중립축까지의 거리는? (단, b=단면폭, h=단면높이, As=철근면적, d=유효깊이, n=철근과 콘크리트의 탄성계수 비이다)
11번
철근콘크리트 휨부재에 대한 설명으로 옳지 않은 것은?
12번
그림과 같은 프리스트레스트 콘크리트 단순보의 지간 중앙에서 프리스트레스 힘 P=3,000kN에 의한 상향력의 크기[kN]는? (단,
이고, 자중과 프리스트레스 손실은 무시한다)
이고, 자중과 프리스트레스 손실은 무시한다)
13번
보통중량콘크리트에 설치된 인장력을 받는 직경이 25mm인 이형 철근의 기본정착길이[mm]는? (단, 콘크리트의 설계기준압축강도 fck=36MPa, 철근의 설계기준항복강도 fy=400MPa, KDS 14 20 52 : 2021을 따른다)
14번
프리스트레스트 콘크리트 보의 양단 정착부에서 각각 4.5mm의 활동이 발생하였을 경우, 프리스트레스 손실량[MPa]은? (단, 보의 길이=18m, 강선의 탄성계수=200GPa, 초기 프리스트레스=1,500MPa이고, 강재와 쉬스관의 마찰은 고려하지 않는다)
15번
프리스트레스하지 않는 부재의 현장치기 철근콘크리트 부재의 최소 피복두께에 대한 설명으로 옳지 않은 것은? (단, KDS 14 20 50 : 2022를 따른다)
16번
그림과 같이 콘크리트 직사각형 보 단면의 도심에 프리스트레스 강재를 배치하여 긴장력 750kN을 도입하였다. 하향 수직하중에 의해 콘크리트 단면 하단에 인장응력이 발생하지 않는 최대휨모멘트 크기[kNㆍm]는? (단, 폭 300mm, 높이 500mm, 총 프리스트레스 손실은 20%이고, 자중은 무시한다)

17번
계수전단력 Vu=75kN이 작용하는 직사각형 단면의 철근콘크리트 휨부재에서 전단철근을 배근하지 않아도 되는 단면의 최소 유효깊이[mm]는? (단, 보통중량 콘크리트를 사용하였고, 단면폭 b=400mm, 콘크리트의 설계기준압축강도 fck=25MPa이며, KDS 14 20 22 : 2022를 따른다)
18번
직사각형 단면의 철근콘크리트 휨부재에서 부재축에 직각인 U형 전단철근을 간격 200mm로 배치하였다. 전단력과 휨모멘트만 받고 있는 경우, 직사각형보의 공칭전단강도 크기[kN]는? (단, 보통중량 콘크리트를 사용하였고, 단면폭 400mm, 단면 유효깊이 600mm, 콘크리트의 설계기준압축강도 fck=36MPa, 전단철근의 설계기준항복강도 fyt=400MPa, 전단철근 한가닥의 공칭단면적=100mm2이며, KDS 14 20 22 : 2022를 따른다)
19번
조밀단면 2축대칭 H형강 보가 강축에 대해 휨하중을 받고 있다. 보의 비지지길이가 2.5m일 때, 공칭휨강도 크기[kNㆍm]는? (단, 강재는 SM275가 사용되었으며, 항복강도 Fy=275MPa, 인장강도 Fu=410MPa, 소성한계 비지지길이=3m, 탄성단면계수=900cm3, 소성단면계수=1,000cm3, KDS 14 31 10 : 2017을 따른다)
20번
비틀림에 대한 비지지길이가 횡좌굴에 대한 비지지길이보다 짧은 경우, 균일압축을 받는 비세장판 강구조 압축부재의 휨좌굴에 대한 공칭압축강도 Pn 산정방법에 대한 설명으로 옳지 않은 것은? (단, Fcr=좌굴응력, Ag=부재의 총단면적, Fe=탄성좌굴응력, Fy=강재의 항복강도, E=강재의 탄성계수, K=유효좌굴길이계수, L=부재의 횡좌굴에 대한 비지지길이, r=좌굴축에 대한 단면2차반경이고, KDS 14 31 10 : 2017을 따른다)